plc电动机正反转控制实验
时间:2025-02-01 23:40:24 点击次数:
ag体育厂

一、引言
--工业自动化技能的不断开展,可编程逻辑操控器(PLC)作为工业自动化范畴的核心设备,其使用越来越广泛。PLC电机正回转操控试验是PLC学习掌控把握掌控把握掌控把握与实践的重要一环,经过该试验,咱们能够深化理解PLC的作业原理,把握PLC编程技巧,完成电机的正回转操控。--将对PLC电机正回转操控试验实行具体阐述,含有试验意图、试验原理、试验步骤、试验成果及剖析等方面。
二、试验意图
本次试验的首要意图是:
把握PLC实验台的PLC的根本作业原理和编程办法;
学会运用PLC实验台的PLC完成对电机的正回转操控;
理解电机正回转操控的原理及完成办法;
提升着手实践才能和问题解决才能。
三、试验原理
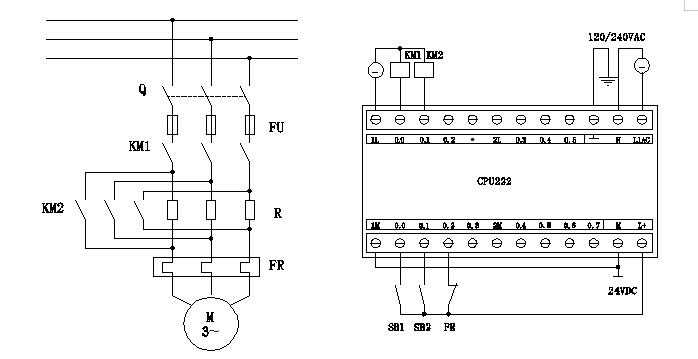
电机正回转操控是经过改动电机电源的相序来完成的。在PLC实验台中,咱们能够经过编程操控PLC输出端口的通断状况,然后改动电机电源的相序,完成电机的正回转。
PLC的编程一般应用梯形图(Ladder Diagram)办法,经过逻辑运算和条件判别,操控PLC输出端口的通断状况。在本试验中,咱们将运用PLC编程系统编写操控程序,完成对电机的正回转操控。
四、试验步骤
试验准备
首要,准备好试验所需的设备,含有PLC、电机、电源、操控线路等。保证一切设备完好无损,能够正常运用。--熟悉PLC编程系统的根本实操,理解电机正回转操控的相关知识。
PLC与电机衔接
按照试验要求,将PLC的输出端口与电机的操控线路衔接起来。留意衔接的正确性,保证PLC能够操控电机的电源相序。
编写操控程序
打开PLC编程系统,创建一个新的项目。按照项目需求,编写电机正回转操控的梯形图程序。在程序中,设定合适的写入信号(如按钮、开关等)作为操控条件,经过逻辑运算和条件判别,操控PLC输出端口的通断状况,然后完成电机的正回转。
程序下载与调动测量试验
将编写好的程序下载到PLC中,并实行调动测量试验。在调动测量试验中,留意调查PLC输出端口的通断状况是否与程序设定一起合作,以及电机的作业状况是否符合预期。如有问题,及时修正程序并重新调动测量试验。
试验测验
在调动测量试验无误后,实行试验测验。经过实操写入信号(如按下按钮),调查电机的作业状况。测验电机的正转、回转以及停止功用是否正常。
五、试验成果及剖析
经过试验实操,咱们成功完成了PLC对电机的正回转操控。试验成果表明,咱们所编写的操控程序是正确的,能够有效地操控电机的电源相序,完成正回转功用。
在试验中,咱们也遇到了一些问题,如衔接线路过错、程序逻辑过错等。经过仔细查验和调动测量试验,咱们最终解决了这些问题,并取得了杰出的试验效果。
经过本次试验,咱们深刻理解了PLC的作业原理和编程办法,把握了电机正回转操控的原理及完成办法。--咱们也提升了着手实践才能和问题解决才能,为往后的学习掌控把握掌控把握掌控把握和作业打下了坚实的基础。
六、试验--与展望
本次PLC电机正回转操控试验让咱们深化理解了PLC在电机操控中的使用。经过实践实操,咱们不只把握了PLC编程技巧,还学会了怎么运用PLC完成对电机的正回转操控。这对于咱们往后在工业自动化范畴的学习掌控把握掌控把握掌控把握和作业设定有重要意义。
-咱们将继续深化学习掌控把握掌控把握掌控把握和研讨PLC技能,探索更多杂乱的操控任务和使用场景。--咱们也期望能够将所学知识使用到实际项目中,为工业自动化的开展贡献自己的力气。
七、结语
--PLC电机正回转操控试验是一次非常有益的学习掌控把握掌控把握掌控把握和实践阅历。经过本次试验,咱们不只稳固了课程课程课程理论知识,还提升了实践才能和立异认识。信任在未来的学习掌控把握掌控把握掌控把握和作业中,咱们会更加自信地面对各种挑战和机遇。
以上文章仅供参考。
常见问题:
1、如果我要购买plc电动机正反转控制实验,PLC实验台,是否有安装、培训服务呢?
答:我们的设备如果没有特别注明“不含安装”“裸机价”“出厂”等字样的,都是提供安装、培训服务的。
2、你们的plc电动机正反转控制实验,PLC实验台是否能开增值税专用发票?
答:可以的,我们是正规企业,并且已经升级到一般纳税人,可以开具增值税专用发票,如果您需要开plc电动机正反转控制实验,PLC实验台的发票,您需要提供开票资料。
3、你们的plc电动机正反转控制实验,PLC实验台都是自己生产的吗?都有什么产品资质?
答:我们公司是专业生产教学设备的企业,完全自主生产,并通过了最新版ISO9001认证,拥有多项专利与著作权。
本文来自网络,不代表本站立场,图片为参考图片,转载请注明出处:plc电动机正反转控制实验,PLC实验台