当前位置: 教学设备 > 技术文章 > 冷库安装调试实际操作考试设备,冷库安装实训装置

冷库安装调试实际操作考试设备,冷库安装实训装置

时间:2025-10-26 23:43:01 点击次数: ag体育厂

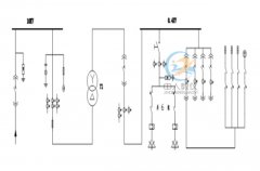
冷库安装调试实际操作考试设备,冷库安装实训装置(图1)

冷库装配调节测试实际实操考试设备

一、设备配备及功能数值
1、冷库装配实验装置应用真实工业半封闭制冷机组和真实冷库, 库体应用装配式冷库。
2、冷库库板厚度100mm,库板操作面板为0.5mm彩铁板,内部保温材料应用硬质聚氨酯泡沫塑料,功能要符合相关国家标准。库板应用凸凹槽、偏心挂钩拉紧的拼接形式。
3、冷库库板的防火烧等级为B1级。
4、冷库装配实验装置设定有电流(A)型漏电保护、过载保护、接地保护,高低压保护等可对人身及设备实行有效保护,安全符合国家标准。
5、总控台应用钢制双层喷塑构造,优质钢材做骨架,经过机械加工成型,外表面喷涂彩色环氧聚塑。
6、总控台实操操作面板文字符文号用现代彩色蚀刻喷描技术处置整理,操作面板标识清晰而且经久耐用。
7、总控台桌面为防火烧、防水浸、耐磨损高密度板,设定有抽屉。
8、实验桌下部装备有四个带锁定功能的万能转向轮。
9、总控台设定有单单独电脑放置位置。
10、提供控制屏作业所需的三相交流ACAC电源,可由电源总开关来控制。配备有三只指针式交流ACAC电压(V)表,分别指示写入三相电网电压(V)值。
11、指针式电压(V)表测量范围为0~450V,精确度2.5级。
12、数字显露温度(℃)表可以写入4-20mA标准信号,应用PT100传感器,测量界限-50~50℃,精确度0.5级。
13、主机实验模型块应用S7-1200控制器,控制点数DI14/DQ10;板载 6个高速计数器和 4个脉冲输出;支持以太网通信的通信模型块(连接到控制器的左侧),8个用来 I/O 拓展的信号模型块;运行速度0.04 ms/1000 条指令;设定有以太网和RS485通信端口,用来编程、HMI 和 plc 间数值通信调节测试过程以及控制器和人机界面HMIHMI的通信。
14、温度(℃)收集模型块配备16路的模仿量写入。
15、触摸屏应用7寸液晶显露,65536色,PROFINET通讯连接口,8个按键,用户内部存储10MB,带一个USB连接口,报警数量1000个,报警类别32个,支持画面100张,变量800个,支持配方和归档处置整理。用来系统主机单元以太网通讯,控制和显露各单元的运行状态。
16、冷库电气控制考核操作面板上印有小型冷库电气控制原理图,并设定有相应测量试验点及信号灯。
17、制冷机组含有3HP全封闭制冷压缩机、风冷冷凝器、视液镜、储液器、干燥过滤器、供液电磁阀、热力膨胀阀、手阀等包括。
18、制冷机组含有真空压力表,测量范围为-0.1~3.5MPa,精确度2.5级。
19、冷库内装备有库灯、冷风机、化霜加热丝等,冷库外面留有出水。
20、冷库装配实验装置配套冷库冷链物流监控系统:完成对机组运行工况和冷库实行远程故障诊断、远程控制和监控,全部数值传到云端,可以经过配备的位移端及APP实行运行工况设定,配套无线彩色中文触摸屏,触摸屏8寸。
21、二维码识别功能:能经过手机扫描获取该设备的相关图纸文档实验指导书。 二、技术功能数值:
1、写入电源:三相四线(或三相五线)~380V±10% 50Hz。
2、装置容量(KV):5.4kVA。
3、冷库中间隔开分为两个库,高温库(0~4℃)和低温库(-18℃),冷库库体外型尺寸长、宽、高分别4000mm、3000mm、2200mm,在长度方向居中分为两间。
4、制冷剂:R22。
5、制冷量:5.0~6.0 kW。
6、设定有电流(A)型漏电保护、过载保护、接地保护,高低压保护等可对人身及设备实行有效保护,安全符合国家标准。
三、功能
1.冷库制冷管道从主机到蒸发器之间的联接,而且管道之间、管道与制冷备品备件之间的联接应用纳子联接的可拆卸联接方法。
2.制冷系统的检漏和保压。
3.制冷系统抽真空。
4.制冷系统充注制冷剂调节测试。

常见问题:

1、如果我要购买冷库安装调试实际操作考试设备,冷库安装实训装置,是否有安装、培训服务呢?

答:我们的设备如果没有特别注明“不含安装”“裸机价”“出厂”等字样的,都是提供安装、培训服务的。

2、你们的冷库安装调试实际操作考试设备,冷库安装实训装置是否能开增值税专用发票?

答:可以的,我们是正规企业,并且已经升级到一般纳税人,可以开具增值税专用发票,如果您需要开冷库安装调试实际操作考试设备,冷库安装实训装置的发票,您需要提供开票资料。

3、你们的冷库安装调试实际操作考试设备,冷库安装实训装置都是自己生产的吗?都有什么产品资质?

答:我们公司是专业生产教学设备的企业,完全自主生产,并通过了最新版ISO9001认证,拥有多项专利与著作权。

本文来自网络,不代表本站立场,图片为参考图片,转载请注明出处:冷库安装调试实际操作考试设备,冷库安装实训装置

    沪ICP备15019043号-4,PLC实验台,实验室设备,电工实训台,机械传动机构,教学设备